- 1.951 m²
- 10.000 m²
- 1.951 m²
- 10.000 m²
Te huur: veelzijdige bedrijfshal met kantoorruimte, uitstekende faciliteiten en laad- en loskades in Maasmechelen
Bent u op zoek naar een bedrijfsruimte die strategisch gelegen is en voorzien van alle noodzakelijke faciliteiten voor uw team? Deze bedrijfshal, gelegen op een terrein van 1 ha in de Bedrijvenzone Oude Bunders te Maasmechelen, biedt alles wat u nodig heeft. Met een uitstekende bereikbaarheid en diverse mogelijkheden is dit pand ideaal voor uw bedrijf.
Ligging: Het bedrijfsgebouw bevindt zich op een toplocatie, vlakbij de afrit Maasmechelen op de E314, met snelle verbindingen naar Antwerpen, Brussel en Nederland. Ook het centrum van Maasmechelen is vlot bereikbaar, waardoor de locatie ideaal is voor zowel medewerkers, klanten als leveranciers.
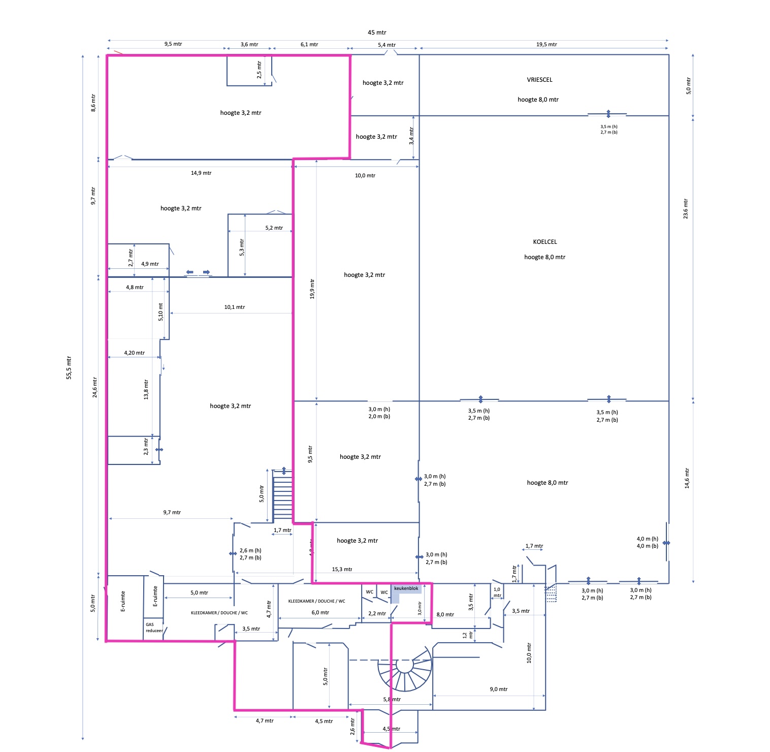
Omschrijving: Het gebouw bestaat uit een gelijkvloers en een eerste verdieping, die afzonderlijk of samen gehuurd kunnen worden. Het te huren gedeelte bevindt zich aan de linkerzijde, de rechterzijde is reeds bezet. Dit biedt een scala aan huurmogelijkheden die passen bij de behoeften van uw bedrijf. De indeling is als volgt:
- Gelijkvloers: Naast kantoorruimtes en een gemeenschappelijke inkomhal, omvat het gelijkvloers kleedkamers, douches, toiletten en een bedrijfshal. De maximale vrije hoogte in de bedrijfshal bedraagt 8 meter, met een vloerbelasting van 2.500 kg/m².
- Eerste verdieping: Deze verdieping is verdeeld in kantoren, een vergaderzaal, laboratorium/kantoren en productie- en opslagruimtes.
Kenmerken van het pand:
- Kantoorruimte geschikt voor vergaderingen en administratief werk.
- Sanitaire ruimte met 3 douches en voldoende lockers voor medewerkers.
- Laad- en loskades voor vrachtwagens, ideaal voor logistieke activiteiten.
- Flexibele huuropties voor bedrijven van verschillende groottes.
- Gemeenschappelijke inkomhal met een professionele uitstraling.
- Hoogspanningscabine en waterzuiveringsstation aanwezig.
- Het dak heeft voldoende draagkracht voor de installatie van zonnepanelen.
Troeven:
- Strategische ligging met directe toegang tot snelwegen en nabijheid van het centrum van Maasmechelen.
- Geschikt voor diverse toepassingen, van productie en opslag tot kantoor- of ateliergebruik.
- Flexibiliteit in het huren van het volledige pand of per verdieping.
- Compleet ingericht met kantoor- en sanitaire ruimtes.
- 3 douches en lockers voor medewerkers.
- Laad- en loskades voor vrachtwagens.
Interesse? Neem gerust contact op voor meer informatie of een vrijblijvende bezichtiging. Deze bedrijfshal biedt uw bedrijf een ideale, goed bereikbare locatie met tal van extra faciliteiten voor uw medewerkers!
Financieel en beschikbaarheid
- Nettoprijs
- € 5.000 per maand
- Beschikbaarheid
- Onmiddellijk
Gebouw
- Bewoonbare opp.
- 1.951,0 m²
- Bouwjaar
- 1991
Terrein
- Perceel opp.
- 10.000,0 m²
- Tuin
- Nee
Indeling
- Keuken
- Ja
- Terras
- Nee
Ligging
- Omgeving winkels
- Ja
- Omgeving autosnelweg
- Ja
- Omgeving centrum
- Ja
Garage
- Buitenparking
- Ja
Comfort
- Aansluiting gas
- Ja
Downloads
















































